We use cookies, including cookies from third parties, to enhance your user experience and the effectiveness of our marketing activities. These cookies are performance, analytics and advertising cookies, please see our Privacy and Cookie policy for further information. If you agree to all of our cookies select “Accept all” or select “Cookie Settings” to see which cookies we use and choose which ones you would like to accept.
Modern épületekben sokszor vízhűtést alkalmaznak a hosszú légcsatornák helyett. Ennek a megközelítésnek a központi eleme a folyadékhűtő: a gőzkompressziós ciklus segítségével vonja ki a hőt a vízből, majd a berendezés továbbítja ezt a lehűtött vizet az épületben található légkezelő egységekhez (AHU) vagy fan‑coil egységekhez (FCU).
Ez a cikk egy egyszerű diagram segítségével bemutatja, hogy mi az a folyadékhűtő, és milyen feladatokat lát el a HVAC‑rendszerekben.
Mi a folyadékhűtő szerepe egy HVAC‑rendszerben?
A mindennapi használatban a ‘chiller’ vagy ‘vízhűtő’ kifejezés egy gyárilag összeállított folyadékhűtő berendezésre utal, amely épületgépészeti vagy technológiai hűtési igényeket szolgál ki. Ez az egység egy nagyobb hűtőrendszer része, amely magában foglalja a szivattyúkat, a vezérlést, valamint — ha az adott rendszer igényli — a hűtőtornyokat és a kondenzvíz-köröket is.
Így szemlélve a rendszert a nem mérnök felhasználók is könnyebben megértik, hogy mit csinál egy chiller, és hogyan illeszkedik a hűtöttvíz-kör a mindennapi működésbe.
Hogyan működik egy folyadékhűtő?
A berendezés magjában a hűtőközeg áramlása a következő: kompresszor → kondenzátor → expanziós szelep → elpárologtató.
A hűtőkör vázlatos ábrája, rajta az elpárologtatóval, kompresszorral, kondenzátorral és expanziós szeleppel, valamint a hűtőközeg útvonalával.
A kompresszor megemeli a hűtőközeg nyomását és hőmérsékletét. A kondenzátor leadja a hőt, és a hűtőközeget nagy nyomású folyadékká alakítja. Az expanziós szelep szabályozza az átáramlást, és lecsökkenti a nyomást és a hőmérsékletet. Az elpárologtató hőt vesz fel a hűtöttvíz-körből, majd ezt a hideg vizet továbbítják az AHU/FCU hőcserélőihez, ahonnan melegebben tér vissza a folyadékhűtőhöz.
Ezek után nézzük meg, hogyan alkalmazzák ezt a ciklust az LG vízhűtéses és léghűtéses eszközök megoldásai a gyakorlatban.
Vízhűtéses folyadékhűtők dióhéjban
A vízhűtéses folyadékhűtő egy központi gépház része, amely a hőt hűtővízen és hűtőtornyon keresztül adja le, majd hűtött vizet juttat el az épület különböző pontjaira. Ez a kialakítás nagy vagy több épületből álló létesítményekhez ideális, ahol előnyös a stabil kapacitás és a központosított vezérlés.
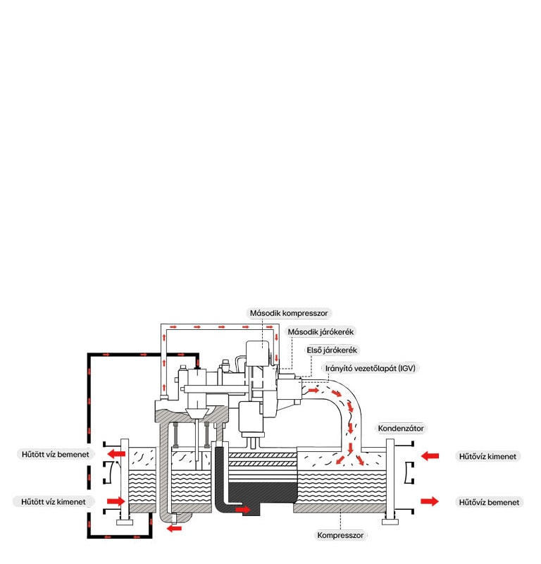
Egy LG vízhűtéses folyadékhűtő működése
Az LG centrifugális folyadékhűtője kétlépcsős kompresszort alkalmaz, kétlépcsős expanzióval és külső ekonomizálóval. Az irányító vezetőlapátok (IGV – Inlet Guide Vanes) szabályozzák az alacsony nyomású gőz beáramlását az első járókerékbe a kapacitás szabályozása érdekében. Az első kompressziós fokozat után az áramló gőz keveredik az economizerből érkező hideg gőzzel, majd belép a második járókerékbe a végső kompresszióhoz. A kondenzátorban a nagy nyomású gáz hőt ad le a hűtőtornából érkező hűtővíznek; az LG ezt a vizet a kondenzátor csőkötegein vezeti át, hogy a gáz halmazállapotú hűtőközeget nagy nyomású folyadékká kondenzálja. A folyadék ezt követően áthalad az első és második expanziós elemen, ahol a nyomás és a hőmérséklet lecsökken, mielőtt belép az elpárologtatóba.
A centrifugális folyadékhűtő keresztmetszeti diagramja, amely a hűtőközeg- és vízáramlást mutatja a felcímkézett HVAC‑komponenseken keresztül.
Az elpárologtatóban ez az alacsony nyomású keverék hőt vesz fel a csövekben áramló hűtött vízből, és elpárolog. A berendezés ezután a hűtött vizet az épület légkezelőinek és fan-coil egységeinek hűtőkörein (AHU-k/FCU-k) keresztül keringeti, hogy lehűtse a befújt levegőt, miközben a melegebb visszatérő víz visszaáramlik a folyadékhűtőbe, hogy a ciklus újrainduljon. Eközben a kondenzátorvíz-kör a leadott hőt visszaszállítja a hűtőtoronyhoz. Az LG vezérlő közvetlenül képes vezérelni a hűtött- és hűtővíz-szivattyúkat, valamint a torony ventilátorát. Figyeli a hűtöttvíz hőmérsékletét és áramlását, hogy fenntartsa a beállított értéket.
Diagram egy irodaépület vízhűtéses folyadékhűtős HVAC‑rendszerének, hűtöttvíz- és levegőelosztással
Ezután bemutatjuk, hogyan működik az LG léghűtéses folyadékhűtője—hogyan adja le a hőt a környezeti levegőnek, és miként jut el az általa előállított hűtött víz az AHU/FCU hűtőköreihez a helyiségek hűtéséhez.
Egy LG Léghűtéses folyadékhűtő működése
Az LG léghűtéses folyadékhűtője lehűti a vizet, és a hőt a kültéri levegőnek adja le. Inverter vezérlésű scroll kompresszorokat, elektronikus expanziós szelepet (EEV), csőköteges, bukófilmes elpárologtatót, valamint léghűtéses kondenzátort alkalmaz EC‑motoros ventilátorokkal. A hűtőkörfolyamatban a forró, nagy nyomású hűtőközeg-gáz kilép a kompresszorból; a kondenzátor ventilátorai a környezeti levegőt a kondenzátor hőcserélőjén átáramoltatva vonják el a hőt, így a hűtőközeg cseppfolyósodik; ezt követően az EEV lecsökkenti a nyomását és a hőmérsékletét, mielőtt a hideg keverék belép az elpárologtatóba és ott elpárolog.
Központi HVAC‑rendszer diagramja, amely egy többszintes irodaépület hűtöttvíz‑áramlását és légcirkulációját mutatja.
A vízoldalon a hűtött víz az elpárologtató ‘water‑out’ csatlakozásán távozik, majd szivattyúk juttatják el az épületben található AHU/FCU hűtőköreihez, ahol lehűti a befújt levegőt. Ezután a melegebb visszatérő víz a ‘water‑in’ csatlakozáson tér vissza a berendezéshez, hogy a ciklus ismétlődjön. Mivel a hő közvetlenül a kültéri levegőnek adódik le, ebben a konfigurációban nincs kondenzátorvíz‑kör vagy hűtőtorony; a hőleadást a kondenzátor ventilátorai végzik.
Típusok és illeszkedés
A hidronikus hűtés központi elemei a folyadékhűtők. Ezek állítják elő a hűtött vizet, és juttatják el az épületbe. A vízhűtéses rendszerekhez hűtőtorony és kondenzátorvíz‑kör tartozik, míg a léghűtéses berendezések közvetlenül a kültéri levegőnek adják le a hőt. Ez az egy döntés határozza meg a csőhálózat kialakítását, a szivattyúkat, a vezérléseket és a mindennapi üzemeltetési feladatokat is.
- Hová illenek az LG vízhűtéses folyadékhűtők – és miért?
A vízhűtéses folyadékhűtők nagy, folyamatos hűtési igényű létesítményekhez ideálisak, amelyek egy központi gépház előnyeit élvezik: távhűtő rendszerek és kampuszszintű hálózatok, gázturbinák beszívott levegőjének hűtése erőművekben, félvezetőgyártó tisztaterek, valamint olyan hővisszanyerős rendszerek, amelyek egyszerre biztosítanak hűtött és hasznosítható meleg vizet. A toronnyal működő kör jelentős hőleadási kapacitást biztosít, és képes a hűtött vizet földbe fektetett csőhálózatokon át több épülethez eljuttatni—ezekhez az alkalmazásokhoz kiválóan illeszkedik.
Az adatközpontok is egyre nagyobb arányban térnek át központi hűtöttvizes rendszerekre. Az LG anyagai vízhűtéses folyadékhűtőket mutatnak be helyiség-hűtési és chiphűtési megoldásokban, LG BECON (Building Energy Control) alapú integrált gépházvezérléssel, valamint hazai referenciákkal.
Adatközponti hűtőrendszer diagramja, amely bemutatja a légáramlást a szerverállványok körül, valamint a folyadékhűtők és a CRAH egységek működését.
- Az LG léghűtéses inverter scroll hűtők alkalmazási területei és előnyei
Jól működnek olyan egyépületes vagy retrofit‑barát projektekben, mint az iskolák, irodák, kórházak, szállodák, uszodák, bizonyos ipari technológiai folyamatok és a smart farmok. Nem igényelnek hűtőtornyot, a kültéri telepítés egyszerű, és az inverteres szabályozás jól kezeli a változó részterheléseket—ami különösen hasznos ott, ahol a hűtési igény napközben ingadozik. A meglévő vízcsövekhez való csatlakoztatás általában egyszerűbb és gyorsabb.
A választás akkor is eltérhet, ha maga a hűtőkörfolyamat azonos. A hőleadás módja (levegő vs. víz/hűtőtorony), a rendszer mérete és kiterjedése (egy épület vs. több épület), a terhelési profil (változó vs. állandó), valamint a technológiai vagy minőségi követelmények más-más megoldást indokolnak. Ez a négy tényező hatással van a helyszíni korlátokra és a költségstruktúrára, így a „megfelelő” folyadékhűtő típusa mindig az épület és a hálózat adottságaitól függ—nem pusztán magától a hűtőkörfolyamattól.
Összegzés
A megfelelő folyadékhűtőt kiválasztásának érdekében először azt nézzük meg, hová adja le a hőt: ez a döntés határozza meg a csőhálózatot, a szivattyúkat, vezérlést és a hűtöttvíz‑elosztást. Ha a hőt a levegőnek adja le, léghűtéses gépházról van szó —nem kell hozzá hűtőtorony, egyszerűbb a telepítése, és jól illik egyépületes vagy utólagos telepítésű (retrofit) projektekhez. Ha a hőt hűtővíznek adja le, akkor vízhűtéses gépházat tervezünk—központosított, skálázható megoldás kampuszok, távhűtéses rendszerek és sok adatközpont számára. A típust az épület mérete, a terhelési profil és a hálózati rendszer alapján válasszuk meg, valamint kerüljük a forrás nélküli számadatokat.
* A termékek és megoldások országonként és az üzemeltetési feltételek szerint eltérhetnek.
GYIK
Miért használnak a nagy épületek folyadékhűtőket?
Egy központi gépház több zónát vagy akár több épületet is képes kiszolgálni, miközben a teljes rendszer egyetlen helyről vezérelhető. A hidronikus (vízbázisú) elosztás nagy távolságokon is hatékonyan szállítja a hőt, ezért jól működik kampuszoknál és távhűtési hálózatoknál. A hatékonyság azonban a rendszertervtől, a terhelési profiltól és az előírt szabványi követelményektől függ—nem szabad feltételezni, hogy mindig magasabb.
Ha folyadékhűtőt használunk, akkor is vízcsöveket kell végigvezetni az épületben?
Igen. A hűtöttvíz‑előremenő/visszatérő kör látja el a légkezelő egységeket (AHU) vagy a fan‑coil egységeket (FCU); a szivattyúk keringtetik a vizet a hőcserélők felé és vissza.
Helyiség hűtésekor a levegő milyen közeggel cserél hőt?
Egy víz–levegő hőcserélőn (coil) keresztül. A befújt levegő átáramlik a hőcserélőn, és hőt ad át a hűtött víznek; a víz felmelegszik, majd visszatér a gépházba.
Úgy telepítik a folyadékhűtőt, mint egy kültéri kondenzátoregységet? Hogyan történik a telepítés?
A léghűtéses folyadékhűtők kültéri berendezések. Tetőn vagy talajszinten telepítik őket; az LG kézikönyve is „Outdoor Unit”-ként hivatkozik rájuk, és magába foglalja a kültéri telepítést, valamint az alapozást. A vízhűtéses folyadékhűtők ezzel szemben jellemzően beltérben kapnak helyet, egy gépészeti helyiségben (gyakran az alagsorban vagy egy alsó szinten). Az LG centrifugális folyadékhűtő kézikönyve kiemeli, hogy zárt helyiségben a biztonsági szelep lefúvatását a kültér felé kell elvezetni, ami beltéri elhelyezést feltételez; továbbá beltéri alapozási és csövezési útmutatót is tartalmaz. A hűtőtornyok a vízhűtéses rendszerek részei. Az LG dokumentációi feltüntetik őket a rendszerábrákon, de nem rögzítik a konkrét elhelyezést; a projektek tetőre vagy talajszinti udvarokra telepítik őket, a szerkezeti adottságok, az esetleges légörvényes visszakeveredés, a páraelsodródás, a zajhatások és a karbantartási hozzáférés alapján. A mellékelt anyagok szerint a hűtőtornyok szükségesek a kondenzátorvíz‑kör működéséhez, és a gépházvezérlés részeként szabályozzák őket, de a pontos elhelyezés mindig helyspecifikus.
Kapcsolatfelvétel
További információért érdeklődjön nálunk, és mi hamarosan felvesszük Önnel a kapcsolatot.





